氣動襯膠蝶閥概述:
氣動襯膠蝶閥(氣動橡膠環保防腐蝶閥)是指通過高溫的方式將橡膠與蝶閥中的閥體硫化成一體,按連接方式一般分為法蘭式與對夾式,并可根據不同工況的使用要求選擇不同性能的密封結構(全襯膠蝶閥、半襯膠蝶閥),以滿足在不一樣的應用場所下保證氣動襯膠蝶閥能夠正常的使用。
氣動襯膠蝶閥不僅具有防腐、耐磨、無毒、防霉等特點,并且有極佳的密封性能,隨著化學防腐蝕合成橡膠在蝶閥上的應用, 襯膠氣動蝶閥的使用量也一直在不斷的提升。

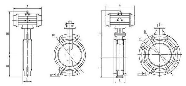
氣動對夾式襯膠蝶閥 氣動法蘭襯膠蝶閥
氣動襯膠蝶閥應用范圍:
襯膠氣動蝶閥適用于各種不同類型工業管道中液體和氣體(包括蒸氣)等介質的輸送,以及弱腐蝕性流體介質的使用工況當中,做開關兩位控*或介質流量大小調節。
工作溫度一般不超過180℃,公稱壓力≤1.6MPa,廣泛應用于食品、醫藥、化工、石油、電力、輕紡、造紙等場所。
氣動襯膠蝶閥性能特點:
1、采用襯膠無銷,保證了介質與金屬完全隔離,提高了產品的可靠性。
2、密封面耐磨性好(橡膠耐磨性是銅的七倍)。
3、可以任何位置安裝,維修方便。
4、密封件可以更換,密封性能可靠達到雙向密封零泄漏。
5、橡膠材料無任何毒性,并且抗菌、抗霉,產品價格是不銹鋼閥門的三分之一。
氣動襯膠蝶閥技術參數:
| 公稱通徑 |
DN50~DN1200(mm) |
| 壓力等* |
PN0.6、1.0、1.6MPa |
| 連接方式 |
對夾式、法蘭連接 |
| 驅動方式 |
氣動控*(氣源驅動,壓縮空氣) |
| 適用溫度 |
各種橡膠:-20℃~150℃ |
| 泄露量 |
符合標準(可達零泄露) |
| 密封結構 |
半襯膠密封、全襯膠密封 |
| 工作場合 |
水、氣體、油品及弱腐蝕性流體等(常溫常壓場合) |
| 控*方式 |
開關兩位模式(氣開氣關),調節型(4~20mA模擬量信號控*) |
|
氣動襯膠蝶閥標準規范:
設計*造標準:GB/T 12238-2008
結構長度標準:GB/T 12221-2005
連接法蘭標準:GB/T 9113
壓力溫度等*:GB/T 12224-2005
試驗檢驗標準:GB/T 13927-2008
氣動襯膠蝶閥零件材料: |
 氣動襯膠蝶閥(對夾式) 氣動襯膠蝶閥(法蘭式) |
閥 體:鑄鐵、球墨鑄鐵、碳鋼、不銹鋼
蝶 板:鑄鐵、球墨鑄鐵、碳鋼、不銹鋼 完全包覆橡膠或氟塑料
閥 桿:碳鋼鍍鎳磷、不銹鋼
閥座密封圈:天然膠NR、氯丁膠CR、丁腈膠NBR、三元乙丙膠EPDM、氟橡膠FKM
密封圈使用溫度:丁腈橡膠X≤80度; 耐磨橡膠X6≤150度; 氯丁橡膠≤120度; 氟橡膠X7≤150度;
氣動襯膠蝶閥性能規范:
| 公稱通徑 |
DN(mm) |
50~1200 |
| 公稱壓力 |
PN(MPa) |
0.6 |
1.0 |
1.6 |
| 試驗壓力 |
強度試驗 |
0.9 |
1.5 |
2.4 |
| 密封試驗 |
0.66 |
1.1 |
1.76 |
| 氣密封試驗 |
0.6 |
0.6 |
0.6 |
| 作用形式 |
雙作用(氣開氣關)、單作用(常閉、常開) |
| 可選附件 |
定位器、電磁閥、空氣過濾減壓器、保位閥、行程開關、閥位傳送器、手輪機構等 |
相關產品: 電動襯膠蝶閥 氣動襯氟蝶閥 氣動軟密封蝶閥